1. Transistor Tester
전자 부품 취미를 시작할 때, AliExpress 에서 처음 구매했던 것이, 이 제품이었을 껍니다. Transistor Tester.
* Hardware | Transistor Tester
저항같은 부품의 값을 읽으려면, 부품에 그려진 식별 띠를 읽어야 하는데, 이 제품에 물리면 바로 실효값을 알 수 있습니다. 매우 요긴하게 잘 사용하고 있습니다.
AliExpress 에서 아직도 팔리고 있네요.
* Multifunctional Tester GM328 Transistor Tester Diode Capacitance ESR Meter PWM Square Wave Signal Generator with case
단점으로, 9V 건전지를 사용하는 것이 불편하여, 무선 충전기로 개조도 했더랬습니다.
* Hardware | Transistor Tester 무선충전 upgrade
2. Parts Upgrade
측정값의 정도를 높이려면 부품 업그레이드가 필요하다는 글을 보게 됩니다.
* blurpy / transistor-tester
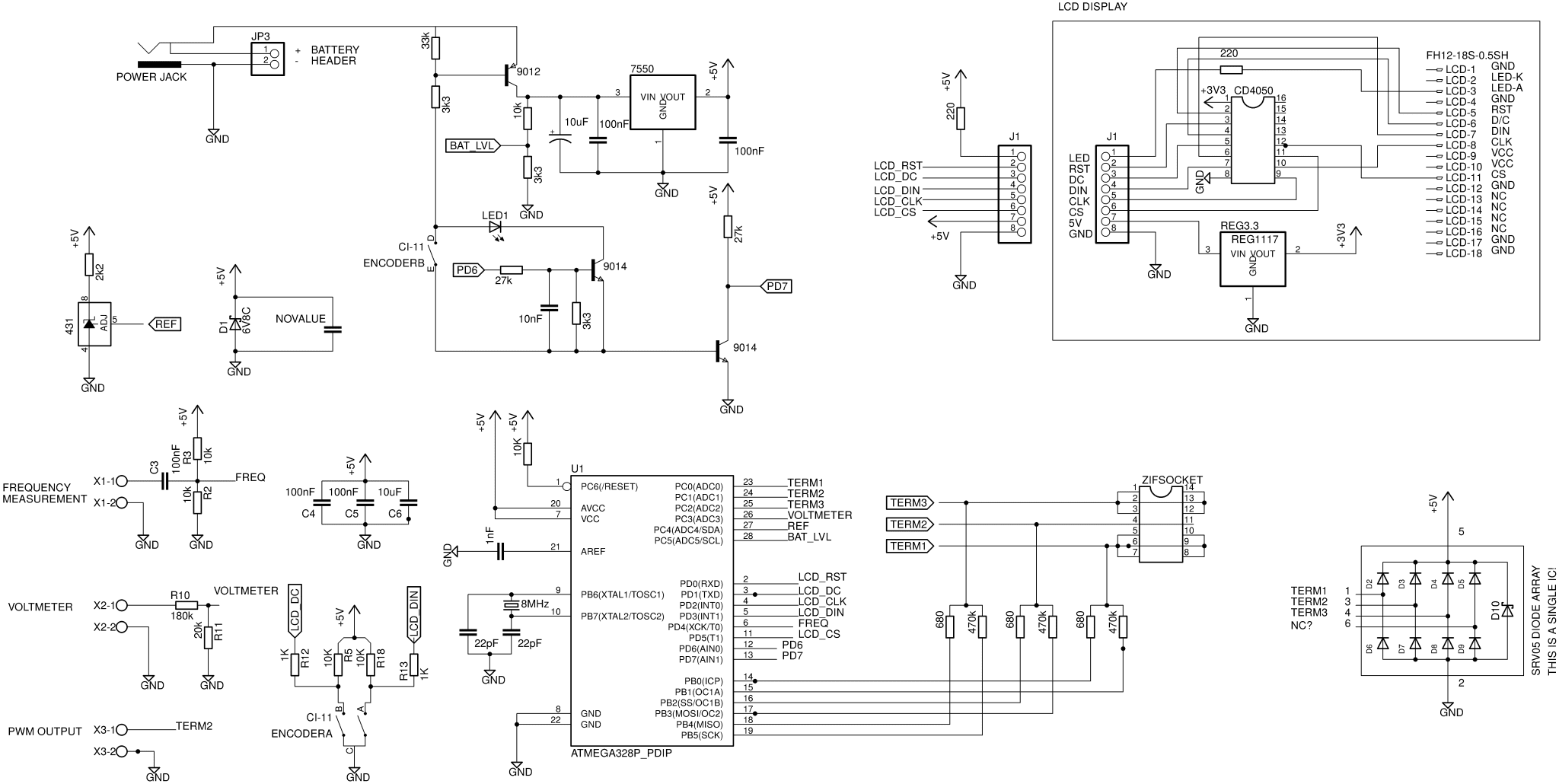
참고할 수 있도록, 위의 수정사항 표시 회로가 아닌, 오리지널 회로도도 올려 봅니다.
업그레이드의 주는, 오차율이 낮은 저항으로 바꾸거나, voltage reference 가 되어주는 transistor 를 교체하는 것이 골자 입니다.
위의 사진에서 검은 저항이 오자율이 0.1%인 교체된 저항 입니다. 그 외에 transistor 하나를 교체하고, 하나를 제거 합니다. 맨 마지막에 저항 하나도 제거 했네요.
2. Parts Purchase
아래 사이트에 완벽하게 정리되어 있는 내용으로 부품을 준비합니다.
* blurpy / transistor-tester
ATmega328P 에 기존 k-firmware 냐, 튜닝된 m-firmware 를 입히느냐에 따라 부품의 구성이 조금 달라집니다. 저는 기존 k-firmware 를 유지하면서, 측정의 정도를 높이는 구성으로 업그레이드를 준비합니다.
최종 목록은 다음과 같습니다.
- 16MHz Crystal
- 680 Ohm 0.1% Resistor
- 470K Ohm 0.1% Resistor
- MCP1702 High Precision Voltage Regulator
- LM4040AIM3X-2.5 High Precision Voltage Reference
이번에는 Mouser 를 이용하였습니다.
* Hardware | Mouser 에서 전자부품 구입기
MCP1072-5002E 전압 레귤레이터 입니다.
오차율 0.1% 680 Ohm 저항 입니다.
Digi-Key 에는 재고가 없어서, 주문 생산을 해야 하고, Mouser 에도 얼마 없습니다.
오차율 0.1% 470K Ohm 저항 입니다.
일반적인 저항보다 조금 두껍고, 리드선도 굵습니다.
3. LM4040AIM3X-2.5
MCP1072-5002E 이 있으면, TL431A 는 제거해 버려도 되나, 오차율이 낮은 부품으로 교체해 보기로 합니다. TO-92 부품을 구하면 좋으나, 이미 시장에서는 구할 수 없고, 가능한 LM4040 의 2.5V 제품은 SOT-23 입니다.
* LM4040-N/-Q1 Precision Micropower Shunt Voltage Reference
SOT-23 형식도 Digi-Key / Mouser 에서는 구할 수 없어서, AliExpress 에서 검색합니다.
있네요. 아마 Fake 제품이겠지만, 마음의 평화를 위해 구입해 봅니다.
* 10PCS LM4040AIM3X-2.5 LM4040AIM3-2.5 SOT23
어느새 도착 했습니다.
제품에는 R2A 로 마킹되어 있습니다.
4. Disassembly
나사 분해 시작.
밑 바닥도 있습니다.
아크릴 케이스를 벗기고, 기판이 나옵니다.
4. Replacement
7550 과 TL431A 트렌지스터를 제거하고, 680 / 470K 저항을 제거 합니다.
교체할 부품들을 모두 제거 완료.
5. New Parts
샤샤삭, 작업 완료.
TL431A 는 제거하고 그냥 놔둬도 되나, LM4040AIM3-2.5 를 붙여 봤습니다. 그랬더니, 불안정하며 값이 정확히 측정되지 않더군요.
그래서 left floating 해야 한다는 핀을 연결하지 않고 다시 장착. 그랬더니 사용할 만 해졌습니다.
최종 완료 샷.
6. Test
교체작업 전에 측정한 0.1% 오차 680 Ohm 저항 값.
교체작업 전에 측정한 0.1% 오차 470K Ohm 저항 값.
값이 큰 저항에 대해서는 확연히 개선된 것 같습니다.
16MHz 오실레이터 덕분에 빠릿해진 것 외에는 잘 모르겠습니다.
본체값 약 2만원. 업그레이드 값 약 2만 5천원...
7. Firmware
* GM328A reverse engineering, new firmware and Tetris!
Firmware 작업은 다음에...
To Be Continued









댓글
댓글 쓰기